| Sign In | Join Free | My hardware-wholesale.com |
|
Brand Name : Shareway
Model Number : WB1015-SML
Certification : CE UL RoHS ISO9001:2008
Place of Origin : Guangdong China
MOQ : 100/500/1000
Price : Supportive
Payment Terms : TT,Paypal
Supply Ability : 5000K.PCS/Month
Delivery Time : Stock or 3 weeks
Packaging Details : 500 parts per full reel
Product name : WB1015-SML 3+3 Pin Gate Drive Transformer For Pulse Application
Pin : 3+3
Ambient temperature : –40°C to +85°C
Storage temperature Component : –40°C to +85°C.
Usage : High Frequency
Coil Number : Other
WB1015-SML 3+3 Pin Gate Drive Transformer For Pulse Application
Feature:
Applications:
| Part number | Impedance ratio2 pri : sec | IDC max (mA) | Frequency (MHz) | Pri (pins 1–3) | Sec (pins 6–4) | |||
| Through-hole | Surface mount | L min3 (μH) | DCR max (Ohms) | L min3 (μH) | DCR max (Ohms) | |||
| WB1010-PCL | WB1010-SML_ | 1 : 1 | 250 | 0.005 – 100 | 780 | 0.320 | 780 | 0.320 |
| WB1010-1-PCL | WB1010-1-SML_ | 1 : 1 | 250 | 0.04 – 175 | 95 | 0.200 | 95 | 0.200 |
| WB1015-PCL | WB1015-SML_ | 1.5 : 1 | 250 | 0.1 – 150 | 80 | 0.145 | 51 | 0.130 |
| WB1040-PCL | WB1040-SML_ | 4 : 1 | 250 | 0.2 – 300 | 95 | 0.160 | 25 | 0.115 |
| WB2010-PCL | WB2010-1-SML_ | 1 : 1 | 250 | 0.005 – 100 | 780 | 0.320 | 780 | 0.320 |
| WB2010-1-PCL | WB2010-1-SML_ | 1 : 1 | 250 | 0.04 – 175 | 95 | 0.200 | 95 | 0.200 |
| WB2040-PCL | WB2040-SML_ | 4 : 1 | 250 | 0.2 – 300 | 95 | 0.160 | 25 | 0.115 |
| WB3010-PCL | WB3010-SML_ | 1 : 1 | 250 | 0.005 – 100 | 780 | 0.320 | 780 | 0.320 |
| WB3010-1-PCL | WB3010-1-SML | 1 : 1 | 250 | 0.04 – 175 | 95 | 0.200 | 95 | 0.200 |
| WB3015-PCL | WB3015-SML_ | 1.5 : 1 | 250 | 0.1 – 150 | 80 | 0.145 | 51 | 0.130 |
| WB3040-PCL | WB3040-SML_ | 4 : 1 | 250 | 0.2 – 300 | 95 | 0.160 | 25 | 0.115 |
WB1015-SML 3+3 Pin Gate Drive Transformer For Pulse Application
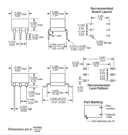
Shape and Dimensions:

Product picture:

WB1015-SML 3+3 Pin Gate Drive Transformer For Pulse Application
HOW TO ORDER
1. Please send me your datasheet or part number you need.
2. We will offer the replacement quotation for your reference
3. The free samples are available for your approval.
4. After sample testing, we will step into the mass order.
5. The Proforma Invoice will send for your confirmation
6. After the goods finished, we send the goods to you and tell you the tracking number.
7. We will track your goods until you receive the goods.
Remarks:
1. Sample orders are avaliable.
2. Price is negotiable for orders of large quantity.
3. Customized orders (OEM/ODM orders) are avaliable.
4. Contact us for available flavors list. International Certifications:
1. ISO9001:2008
2. UL
3. Reach
4. RoHs
Our service:
1. 100% tested before shipping
2. Have alternative for Halo, Pluse, , We-online, Chilisin, Coilcraft......Same quality but better price
3. Free sample available
4. Provide new design for customer
|
|
WB1015-SML 3+3 Pin Gate Drive Transformer For Pulse Application Images |